Iirgendwann hab ich mal einen Versuch unternommen DRM zu empfangen und dabei festgestellt, der einzige Rechner der mir genug Rechenleistung bietet, ist mein Lappy. Von einem OM hab ich leihweise einen DRM-Empfänger bekommen und mal damit gespielt weil mein FT-840 zu schmalbandig ist. Nach einem Jahr bin ich wieder über so manche DRM Seiten im Internet gestolpert, und hab mich dann doch mal eine Stunde hingesetzt, und mal wieder was in HF gebaut: einen Empfänger für 4000kHz und 6000kHz, jeweils mit einem Quarz als frequenzbestimmendes Bauteil.
Zuerst ein Versuch mit der EF80:

Dann mit einer 1AD4:
Prima Sache die Deutsche Welle auf 3995 kHz und RTL auf 5990 kHz und das ohne Knacken, Pfeifen und Rauschen.
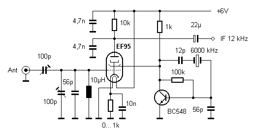
Das Schaltbild...

... stammt von www.b-kainka.de/reahrfaq.htm#drm dort sind auch viele andere wunderbare Röhren-Infos zu finden.
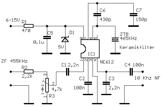
Aber eine Woche später war's dann doch zu wenig. Die einzige Möglichkeit mehr empfangen zu können, war nun doch etwas Neues für mein FT-840 zu stricken. Die Wahl fiel dann auf den SA612 mit einem Keramikresonator. Empfohlen ist 443kHz, bloß dumm, daß meine gesammelten alten Fernbedienungen nur Resonatoren mit 470kHz und 450kHz abwarfen ... nun gut 450kHz ließen sich bis 444kHz ziehen.

Hier ist die Schaltung:

Mehr Infos sind unter www.dl4cu.de zu finden
Das war optimal für das FM-Modul des FT-840 das ja einen ZF-Filter mit 12kHz Bandbreite bei 455kHz anbietet:

(Die Krokoklemme ist am EINGANG des ZF-Filters angeschlossen)
Erst noch der Testbetriebsaufbau:

Das Ganze noch zammbaun und scho kann's losgehen, DRM auf allen QRGs zu testen.

Die Buchse zur Verbindung mit der Soundkarte hab ich da montiert :-)

Viel Spaß und Erfolg beim Nachbau.
73 de Tomtom