Ferdinand
Schmehr DC8EC VHF/UHF-Tagung 1980
Interdigitalfilter
wurden bereits mehrfach (unter anderem in /3/,/4/,/9/ ) beschrieben.
Dabei wurden jedoch nur die
mechanischen Abmessungen für bestimmte gängige Frequenzen
oberhalb 1GHz angegeben. Will man jedoch
Interdigitalfilter mit anderen
Mittenfrequenzen und Bandbreiten bauen, so fehlen meist Hinweise auf
Berechnungs-
beispiele. In diesem Vortrag soll gezeigt werden, dass mit einem relativ geringen
Aufwand, bestehend aus zwei Tabellenbüchern und einem Taschenrechner, die Berechnungen
für
Mittenfrequenzen zwischen 100 und 8000MHz und Bandbreiten A von 1-20% möglich
sind. Die Titel der
Tabellenbücher sind in /1/ u. /2/ angegeben. Im Tabellenbuch /2/
sind ausserdem interessante und
anschauliche Beispiele zur Berechnung von Tief-,Hoch-
und Bandpässen mit konzentrierten Elementen zu
finden.
Zur Berechnung des Interdigitalfilters müssen folgende Daten bekannt sein bzw.
festgelegt
werden:
- die Eckfrequenzen des Durchlaßbereiches f-d und f+d
- die max. Rückflußdämpfung
(VSWR) im Durchlaßbereich
- die Dämpfungsschwankung (~Verzerrung) im Durchlaßbereich.
Daraus
ergibt sich die erforderliche Güte Q der Resonatoren
und die Durchlaßdämpfung av des Filters
-
die Sperrfrequenzen f_S und f+S und die an diesen Punkten
geforderte Mindestsperrdämpfung as r
-
die größte zulässige Welligkeit (oder Ripple) im
Durchlaßbereich des Tschebyscheff-Tiefpaßes
Anmerkung:
Die Rückflußdämpfung (Return Loss RL) lässt sich mit folgender Formel aus dem
VSWR
(s) berechnen:

in
dB
Die
Berechnung erfolgt ähnlich dem Beispiel in /1/:
Da der Bandpaß aus einem Tiefpaß abgeleitet wird, muss
folgende Transformation
verwendet werden:
=
normierte Tiefpaßfrequenz
mit:
normierte
Bandpaßfrequenz
B
= relative Bandbreite
=
Betriebsdämpfung
=
Sperrdämpfung
=
Betriebsdämpfung im Durchlaßbereich, ist nicht identisch mit
Zuerst
berechnet man die Mittenfrequenz:
Die
normierten Bandpaßfrequenzen ergeben sich zu:
Daraus
läßt sich die normierte Sperrfrequenz des Tiefpaßes ermitteln:
Aus
/2/ wird nun aus der Gruppe der Tiefpässe, die im Durchlaßbereich die vorgegebene
Rückflußdämpfung und
Welligkeit aufweisen, einer mit dem Grad n ausgesucht. Seine
normierte Tiefpaßfrequenz Os muss dabei
kleiner oder gleich dem kleineren der beiden
Werte Os1 und Os2 sein.
Es wird darauf hingewiesen,
dass möglichst Tiefpässe mit ungeradem n verwendet werden
sollten.
Hit Hilfe der
Tiefpaß-Bandpaß-Transformation lässt sich die relative Bandbreite
bestimmen.
=>
bzw.
die prozentuale Bandbreite
Da
B meistens ein nicht geradzahliger Wert sein wird, muss eine neuer, ganzzahliger Wert
für B
gewählt_werden (z.B. statt o.9% der in /1/ enthaltene Wert von 1%)
Dieses neue B1 ergibt ein neues
Os
In
/2/ muss num überprueft werden, ob die sich aus dem neuen Os1 ergebende
Sperrdämpfung noch ausreichend
ist.
Der neue Durchlaßbereich fa,fb ergibt sich aus:
=>
Damit
sind 3 der erforderlichen 4 Werte für den Filterentwurf bekannt: die Bandbreite B,
der Filtergrad n und
die Rückflußdämpfung RL.
Der 4.Wert, die Dämpfungsschwankung av, stellt, einfach erklärt, die
Dämpfungsdifferenz dar, die zwischen fo und f-d bzw. fo und f+d auftreten darf. Dazu
wird die
Verlustdämpfung bei f-d, fo und f+d berechnet:
wobei
T der in /2/ unter dem entsprechenden O abzulesende normierte Gruppenlaufzeitwert
ist. Die
Dämpfungsschwankung wählt man je nach Filteranwendung im Bereich zwischen
0.1 und 1dB.
Die folgenden
Berechnungen sind in Tabellenform angegeben, die Ergebnisse sollte man
der Übersichtlichkeit wegen in
eine gleichartige Tabelle eintragen.
Berechnung
von
laut
TP-Tabelle
laut
TP-Tabelle
laut
TP-Tabelle
Man
erhält die drei Werte:
X
sind die errechneten Werte. Aus der größten Differenz zwischen X0 und den beiden
Werten X12 wird Q
bestimmt.
?a
in dB
daraus
folgt
oder
und
,die
Durchlaßdämpfung bei der Mittenfrequenz
Nun
erfolgt die Festlegung der Gehäusehöhe h und der Resonatorlänge b0 (in Grad,
bomax = 90 = ?/4) in
Abhängigkeit von Q. Dabei muss man beachten, dass das gewählte
Q nur für Hf-versilberte Teile gilt.
für andere Materialien gilt:
=
spezifischer Widerstand
Ag
1
Cu 0,956
Ms58 0,521
Ms63 0,475
AL 0.759
oder
x
siehe Tabelle:
Die
Länge bo wird ausserdem von konstruktiven Gesichtspunkten bestimmt. Dabei sollte
man jedoch beachten,
dass bei Längen unter 30grad die Güte des verwendeten Kondensators
zum Tragen kommt. Mit den nun
vorhandenen Werten B, RL, b0 und n können folgende
Werte aus /1/ entnommen werden:
die
von h abhängigen,normierten Achsabstände der Resonatoren
der
Tabellenwert für den ein- und ausgangsseitigen Anzapfpunkt
die
normierte Schwingkreiskapazität
Die
Länge der koppelnden Leitungen ergibt sich aus:
in
Grad
in
GHz
in
mm
Die
Schwingkreiskapazitäten Kv erhält man aus:
(v
= 2 ... n-1)
=
K
in Picofarad
Die
Achsabstände
erhält
man aus den Tabellenwerten
=
=
v,v+1
n-v,n-v+1
v,v+1
n-v,n-v+1
aus
Symmetriegründen für ungerade n
Die
in /1/ angegebenen,einzuhaltenden Genauigkeiten von 0.02mm sind für Amateurzwecke
nicht relevant. Man
sollte sich dadurch nicht abschrecken lassen und die
Schieblehrengenauigkeit als ausreichend ansehen.
Der Anzapfpunkt für den Ein- und Ausgang lässt sich mit:
in
GHz
=
Anschluß Z in O
in
mm
Es
hat sich herausgestellt, dass die Anzapfhöhe la etwas kritisch ist(zumindest für
kommerzielle
Anforderungen bei einigen Filterkennwerten). Man sollte deshalb versuchen,
den Abstand der Anzapfpunkte
(Länge la) möglichst genau einzuhalten und wenig Lötzinn
an dieser Stelle zu verwenden. Diese Koppelart
hat jedoch den Vorteil, dass das
Interdigitalfilter gegenüber den in /3/,/4/ u. /9/ angegebenen keine
zusätzlichen
Einkoppelleitungen benötigt.
Die erforderlichen Verkürzungskapazitäten (ausser bei
bo=90Grad) können aus Schrauben
oder Hülsen bestehen (hohe Güte). Wird das Filter in mechanisch kleinen
Abmessungen
ausgeführt, so sollte man auf Trimmer ausweichen, da das Ganze sonst in Feinmechanik
ausartet. Trimmer für diese Anwendungen bietet die Fa. Tekelec Airtronic, München zu
noch
akzeptablen Preisen (10-25 DM) in sehr gut passenden Bauformen an.
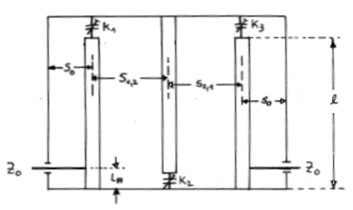
Abschliessend eine Zeichnung des
Interdigitalfilters: (n=3)


Literatur:
1. Pfitzenmaier, G.
Tabellenbuch Mikrowellenbandpässe
Normierte mechanische Abmessungen
von Interdigitalfiltern
Siemens AG 1972
2. Pfitzenmaier, G.
Tabellenbuch Tiefpässe
Unversteilerte Tschebyscheff- und Potenz-Tiefpässe
Siemens AG 1971
3. Griek, R., DK2VF
Interdigitales Bandpaß-Filter für das 24cm-Band
UKW-Berichte 1/70
4. Griek, R., DK2VF
Interdigitale Filter für das 24cm und das 13cm-Band
UKV-Berichte 2/76
5. George L. Matthäi,
Leo Young, E.M.T. Jones
Microwave Filters, Impedance-Matching Networks and Coupl....
McGraw-Hi1l,
New York 1964
6. Seymor B. Cohn
Parallel Coupled Transmision-Line Resonator Filters
IEEE
Transactions on Microwave Theory and Techniques Society MTT6-2/58
7. M. Dishal
A simple Design
Procedure for Small Percentage Bandwidth
Round-Rod Interdigital Filters
IEEE Transactions on
Microwave Theory and Techniques Society MTT13-5
8. RFOPT USER MANUAL Version 5.1 8/79
Compact
Engineering, Inc., Palo Alto, California
CONTROL DATA CORPORATION, München
CYBRNET CENTER EUROPE,
Brüssel
9. Vollhardt, D., DL3NQ
Schmalbandige Filter für die Bänder bei 23cm, 13cm und 9cm
UKW-Berichte 2/77