... angefangen hat's damit, daß ich eine GPS-Mouse zur Reparatur bekommen hab. Naja und wie soll man die jetzt testen ob die wieder geht ... auf ins Internet, und siehe da, da gab's eine Menge Infos drüber. Rein gelesen, den Tinytrak von DK7IN nachgebaut und programmiert, Funke und die GPS-Mouse dran, ins Auto geworfen und losgefahren. Hatte auf Anhieb geklappt. Ab und zu ist es möglich mein Call-9 in www.findu.com zu entdecken und so festzustellen, ob mich mal wieder das QRL vereinnahmt hat. Wer Infos, Karten und Programme sucht ist mit der Homepage von DK7IN und APRS gut beraten.
Die Soft im PIC ist wirklich klasse, nur schade daß der Speicher nicht groß genug war damit auch noch die Höhendaten übertragen wurden. Ein grosses Kompliment für die Soft. Die originale downloadbare Software von Byonics hat die geschwindigkeitsabhängige Sendehäufigkeit leider nicht implementiert. Es existieren zwar einige neuere Versionen, leider stehen diese für den Selbstbauer nicht zum herunterladen zur Verfügung.
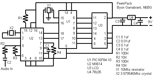
also eine LCD-Anzeige mit den Datenpaketen. Ebenfalls mit einem PIC und einem Decoder-IC. Hier ist die Schaltung:

Den Sourcecode findest du da.
In der Zwischenzeit hab ich auch ein Projekt fertig gestellt, welches beides beinhaltet, APRS-Tracker und APRS-Empfänger. Nachdem es einfach faaad war im Auto nur ab und zu mal LEDs blinken zu sehen, lag es auf der Hand, den Tinytrak und das Peekpack zusammen in eine Schachtel zu bauen. Der Rolf-Peter DG4MFA hat sich die Mühe gemacht, und hat beide Schaltungen auf eine Platine gebannt. Zwar nicht in SMD, aber es ist trotzdem schön klein geworden. Dummerweise war es eine Platinengröße, für die ich kein passendes Gehäuse fand. Also frisch ans Werk und aus Platinenmaterial ein Gehäuse gezimmert:

Nicht schön, aber selten, trotzdem klein genug und passend auf die Maße der Platine zugeschnitten. Bis das Platinchen und die Bedienelemente verteilt waren dauerte es dann noch einen halben Tag:

Es hatte dann doch alles hinein gepasst und die Minianzeige läßt sich trotz ihrer Größe prima ablesen:

Das Einzige was in meinem Fundus fehlte waren 2mm Schrauben um das Display zu befestigen. Mal sehen vielleicht findet sich ja noch ein edler Spender :-)
Inzwischen hat sich die Anzeige schon bewährt, weil es waren noch dringende Einstellungen an Antenne und NF der TX-Seite notwendig. Jetzt ist der Durchsatz meiner Positionsdaten doch erheblich besser als zuvor. Ebenso hatte sich herausgestellt, daß die GPS-Maus auch noch ihre Eigenheiten hatte. Sie braucht doch eine längere "Aufwärmphase" aber dann tut sie ihre Sache.
Hier findest Du Schaltplan, Layout und Bestückungsplan. Vielen Dank Rolf-Peter für die Arbeit da dran !!!!
73 de Tomtom